怎么让Pico示波器采集信号到缓冲区满了之后自动保存在电脑里,然后清除缓存空间继续采集,如此循环工作。
这里不得不向大家介绍一下PicoScope软件的强大功能之一:报警功能!
报警在软件的工具菜单下,它的作用是在PicoScope软件出现特定事件时,设置一些你想要软件执行的指令动作。这些特定时间包括(图1):
1、捕获:当示波器已捕获到完整的波形或一组波形时;
2、缓冲区满:当波形缓冲区已满时;
3、遮罩失败:当波形未通过容限测试时。

图1
可执行的指令动作也有很多选择(图2)。
图2
接下来我使用报警功能,给大家演示一旦缓冲区存满了,PicoScope软件如何实现自动保存和循环捕捉波形。首先我们在选择事件类型,这里勾选并且在事件栏显示“缓冲区满”。(图3)
图3
接着我们要设置报警操作,一旦缓冲区满了,给软件指定一些指令动作。点击“添加”选项,可以看到各种报警操作。我们希望缓冲区满之后,软件首先要自动保存波形文件到电脑的某个文件夹下,这样才能清出缓冲继续下一次信号采集。保存完波形文件后,接着让软件重新捕获。
所以我们严格按照动作顺序添加对应的指令,首先添加并勾选“保存所有缓冲区”,给波形命名以及选择想要保存波形的电脑位置(图4)。
图4
接着添加并勾选“重新捕获”,设置完成如图5所示,“保存所有缓冲区”必须在“重新捕获”之上。另外,我们也可以上移和下移动作顺序,或者重新编辑报警操作。最后点击“应用”并且确定即可。
图5
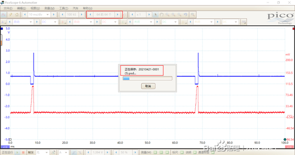
然后开始捕获波形,如图6所示,一旦缓冲区满(图6这里最大是64个缓冲区),软件就会自动保存所有缓冲区波形。这里已经采集并保存第五次信号了,在刚刚设置的文件夹位置也可以查看到所有波形文件(图7)。
图6
图7
上述PicoScope软件的报警功能可以支持我们进行长时间测试,得益于该功能可以自动保存和循环捕捉信号波形,存在偶发故障的车辆可以尝试这个功能。但是请注意,由于保存数据文件到电脑需要时间,因此这一小段时间内示波器是不捕捉信号的。

