PicoScope 6000E 系列超深内存、高性能示波器和 MSOPicoScope 6000E 系列为您提供最深的捕获存储器,作为任何价格的任何示波器的标准配置——总共高达 4 GS。这种超深内存允许示波器以 5 GS/s 的最大采样率捕获 200 ms 的波形。使用 PicoSDK 时,通过将示波器的整个内存分配给单个波形,最大 5 GS/s 的采样率可以保持更长的捕获时间,最长可达 800 毫秒。SuperSpeed USB 3.0 接口和硬件加速确保即使长时间拍摄也能流畅响应。PicoScope 6000E 系列为您提供对当今高性能嵌入式计算机和下一代嵌入式系统设计进行严格测试所需的波形存储器、分辨率和分析工具。

超深内存
PicoScope 6000E 系列示波器具有高达 4 千兆样本的波形捕捉内存 – 比竞争的示波器大许多倍。深度内存可实现最大采样速率下的长时间波形捕捉。实际上,PicoScope 6000E 系列示 波器可使用 200 ps 分辨率捕捉时长超过 200 毫秒的波形。相反,具有 10 兆样本内存的示波器捕捉同样的 200 毫秒波形分辨率将只能达到 20 ns。示波器可以在您已启用的模拟通道和 MSO 端口之间自动共享捕捉内存。
例如,当您需要捕捉数据包间隔较长的快速串行数据或以毫秒为间隔的纳秒激光脉冲时,深度内存具有无可比拟的价值。它在其他方式上也很有用:PicoScope 允许您将捕捉内存划分为 多个段,最多可达 10000 段。您可以设置触发条件以在每个段中保存独立的捕捉,各个捕捉之间的死区时间可小至 300 ns。采集数据后,您可一次一个段地逐步查看内存,直至找到您正在 查找的事件。
包括功能强大的工具,可使您管理与检验所有这些数据。除了遮罩限值测试和色彩余晖模式等功能,PicoScope 6 软件使您能够缩放波形,最大可达 1 亿倍。通过“缩放概览”窗口,可轻松 控制缩放区域的大小与位置。波形缓冲区、串行解码和硬件加速等其他工具可与大容量内存配合使用,使 PicoScope 6000E 成为市场上功能最为强大的示波器。

硬件加速引擎(HAL4)
当您启用深度内存时,某些示波器运行会很吃力;屏幕更新速率会变慢且控件会变得毫无响 应。PicoScope 6000E 系列通过在示波器内部使用专门的第四代硬件加速 (HAL4) 引擎,避 免了这种限制。它的大规模并行设计可以有效地创建要在 PC 屏幕上显示的波形图像,并可以在屏幕上每秒 连续捕捉和显示 25 亿个样本。硬件加速引擎消除了 USB 连接或 PC 处理器性能成为瓶颈的任何担心。

信号保真度
细致入微的前台设计与屏蔽可减少噪音、串扰与谐波失真。PicoScope 6000E 系列示波器展 现出了高达 60 dB SFDR 的动态性能。使用 PicoScope 6,当您利用探针测量电路时,可以充分相信您在屏幕上看到的波形。

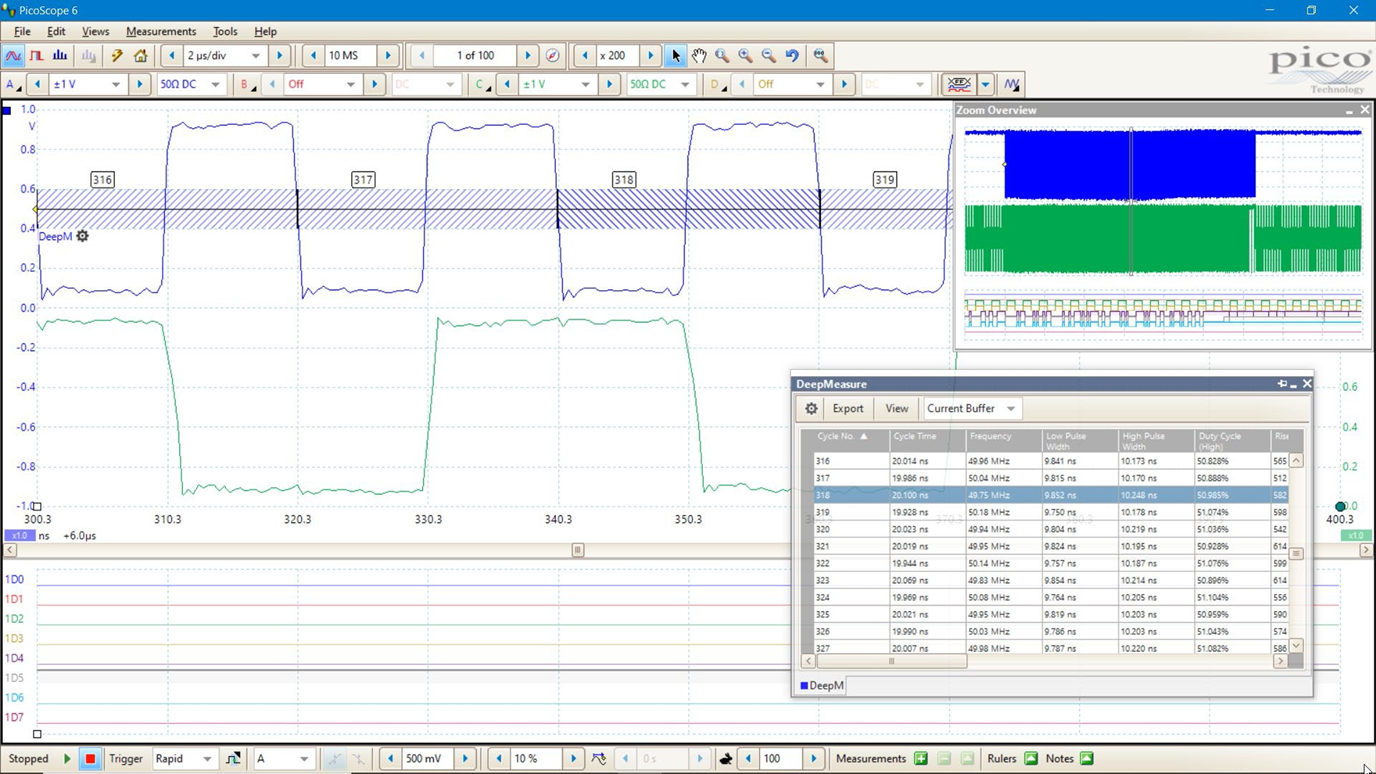
DeepMeasure
一个波形,数百万个测量。 波形脉冲和周期的测量对于电气和电子设备性能的验证非常关键。
DeepMeasure 可为已捕获波形中的任何单个周期提供重要波形参数的自动测量,如脉冲宽度、上升时间和电压等。对于每个已触发的采集或组合的多个采集,最多可以显示 100 万个周 期。可以方便地对结果进行排序、分析并与波形显示关联,或导出为 CSV 文件或电子表格,供进一步分析。
例如,将 DeepMeasure 与 PicoScope 的快速触发模式配合使用,可捕获 10000 个脉冲并快速查找具有最大或最小振幅的脉冲,或者使用示波器的深度内存可录制一个波形的一百万个 周期,并导出每个单边沿的上升时间,以便进行统计分析。

购买PicoScope并不像从其他示波器公司购买,在这些示波器公司中,可选的附加功能会大大提高价格。在我们的示波器范围内,高端功能(如串行解码,掩码极限测试,高级数学通道,分段存储器,基于硬件的时间戳和信号发生器)均已包含在价格中。
作为标准配置,PicoScope 可以解码1-Wire、ARINC 429、BroadR-Reach、CAN & CAN FD、DALI、DCC、DMX512、Ethernet 10Base-T、Fast Ethernet 100Base-TX、FlexRay、I²C、I²S、LIN、M anchester、Modbus ASCII (RS-232/RS-485) 以及 Modbus RTU (RS-232/RS-485)、PS/2、SENT Fast、SENT Slow、SPI、UART (RS-232/RS-422/RS-485) 和 USB (1.0/1.1) 协议数据,随着 免费软件的升级,以后将开发和提供更多的协议。为了保护您的投资,示波器中的PC软件和固件都可以更新。Pico Technology长期以来一直通过软件下载免费提供新功能。我们兑现了未来不断增强的承诺。我们产品的用户通过成为终身客户并经常向同事推荐我们来奖励我们。

PicoSDK® - 编写您自己的 App
我们的免费软件开发套件 PicoSDK 使您能够编写您自己的软件,并包含有用于 Windows、macOS 和 Linux 的驱动程序。我们的公司GitHub页面上提供的示例代码显示了如何通过接口 与第三方软件包(如 National Instruments LabVIEW 和 MathWorks MATLAB 等)进行交互的方法。
除了其他功能,驱动程序支持数据流传输,这是一种以超过 300 MS/s 的速率将无间隔连续数据直接捕捉到您的 PC 或主计算机的模式,因此您将不会受到示波器捕捉内存大小的限制。流 模式中的采样速率受 PC 规格和应用程序负载的约束。
同时,我们还有一个活跃的 PicoScope 用户社区,用户可在我们网站上的测试和测量论坛及 PicoApps部分分享代码和整个应用程序。此处显示的“频率响应分析仪”就是该论坛上很受欢 迎的一款应用程序。

PicoScope 6000E 系列订购信息
| 订购代码 | 描述 | 带宽 | 通道数 | 分辨率(位) | 内存 (GS) |
| PQ303 | PicoScope 6426E | 1 GHz | 4 | 8 至 12 | 4 |
| PQ302 | PicoScope 6425E | 750 MHz | 4 | 8 至 12 | 4 |
| PQ198 | PicoScope 6824E | 500 MHz | 8 | 8 至 12 | 4 |
| PQ201 | PicoScope 6424E | 500 MHz | 4 | 8 至 12 | 4 |
| PQ301 | PicoScope 6406E | 1 GHz | 4 | 8 | 2 |
| PQ300 | PicoScope 6405E | 750 MHz | 4 | 8 | 2 |
| PQ197 | PicoScope 6804E | 500 MHz | 8 | 8 | 2 |
| PQ200 | PicoScope 6404E | 500 MHz | 4 | 8 | 2 |
| PQ199 | PicoScope 6403E | 300 MHz | 4 | 8 | 1 |

